[Prev] [Next] [Contents] [Commodore] [New] [Search] [Home]

1541 CIRCUIT THEORY

[Write amplifier schematic] 1
[Write amplifier schematic] 2

Spindle Motor Control Circuits

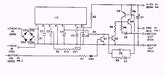
_MTR output from the PLA is active "low". This signal is passed, through the current driver UD2, to the motor control PCB. When _MTR is "low," Q1 is biased off, and Q2, Q3, and Q4 are biased on, allowing current flow through the spindle motor coil. Attached to the shaft of the spindle motor is an inductive tachometer that generates low level AC voltages, as the motor spins. The output of the tachometer is rectified by CR1-CR4. IC 1 monitors the output of the rectifier and adjusts the bias to Q2, which changes the bias on Q3 and Q4 to regulate motor current for a constant velocity. VR1 is a manual speed adjustment. The speed can be adjusted by watching the 60Hz strobe as the adjustment is made or loading the system test from the diagnostic disc.

The Newtronics Motor Speed PCB is electronically the same as the ALPS Motor Speed PCB, but some of the discrete components have been integrated.


[Prev] [Next] [Contents] [Commodore] [New] [Search] [Home]
This page has been created by Sami Rautiainen.
Read the small print. Last updated April 18, 1998.