[Prev] [Next] [Contents] [Commodore] [New] [Search] [Home]

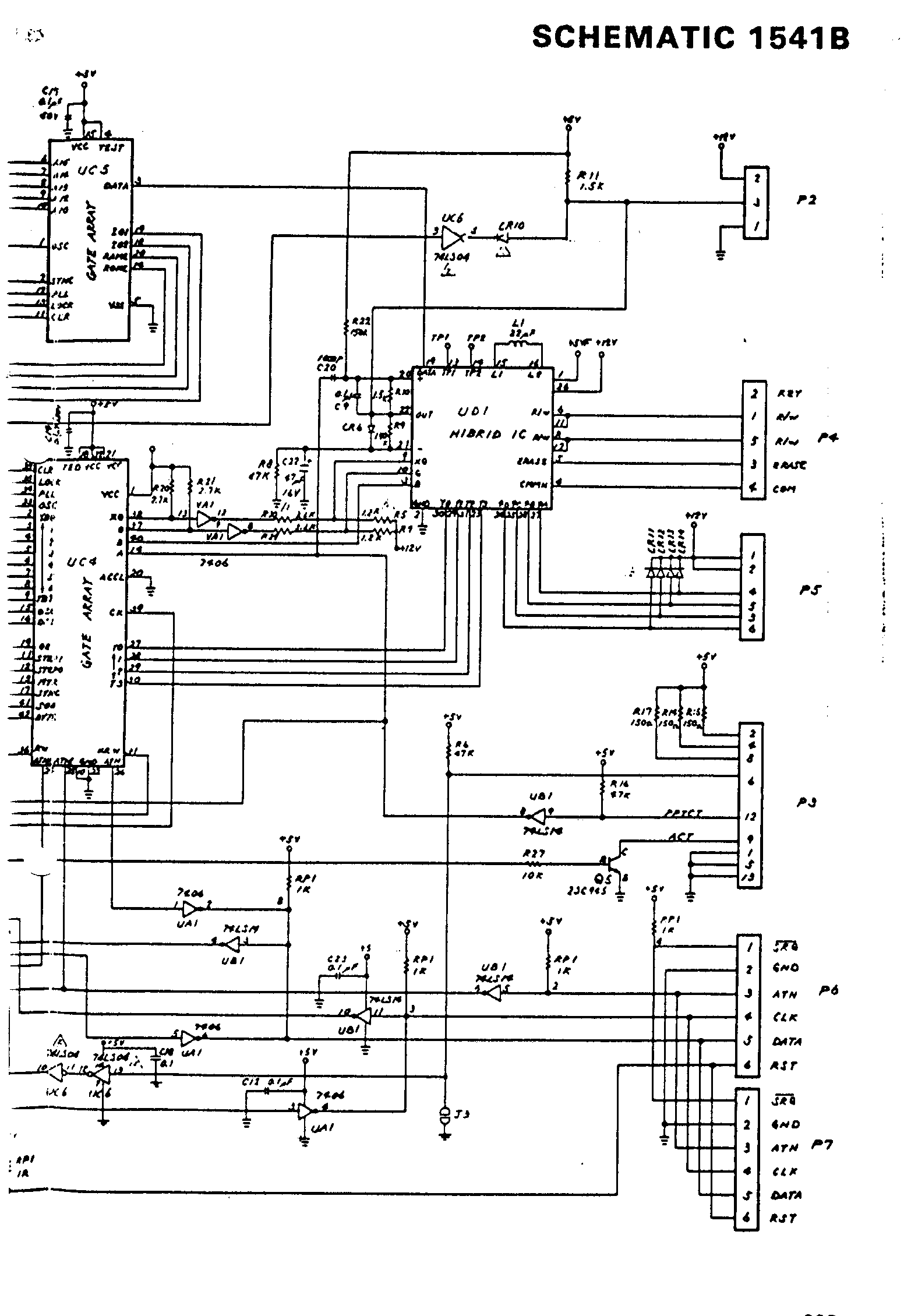
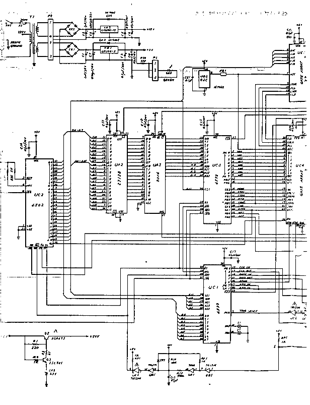
1541B Schematic part 1 of 2 1541B Schematic part 2 of 2
[Prev] [Next] [Contents] [Commodore] [New] [Search] [Home]
This page has been created by Sami Rautiainen.
Read the small print. Last updated May 17, 1998.